ДОРН
2016-06-05
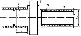
ДОРН (нагревательного инструмента) — часть нагревательного инструмента, служащая для оплавления и прогрева внутренней поверхности раструба соединительной детали (например, муфты) или трубы при сварке враструб (см. рис.).

Рис. Схема нагревательного инструмента для сварки враструб:
1 — дорн; 2 — нагревательный инструмент; 3 —гильза; 4 — труба; Дн — наружный диаметр трубы; l — длина рабочей поверхности дорна.
rss