ДИФФУЗИОННАЯ СВАРОЧНАЯ УСТАНОВКА
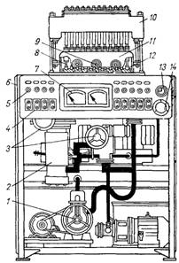
ДИФФУЗИОННАЯ СВАРОЧНАЯ УСТАНОВКА, сварочная диффузионная вакуумная установка — комплекс оборудования для диффузионной сварки, состоящий из вакуумной камеры, в которой осуществляется сварка, со специальными насосами для создания вакуума, нагревательного устройства с источником питания — чаще всего ламповым генератором — и устройства для передачи давления. На рисунке показан общий вид диффузионной сварочной установки: 1 — ротационный масляный насос; 2 — диффузионный масляный насос; 3 — затворы; 4 — кнопки управления; 5 — сигнальные лампы; 6 — корпус; 7 — вакуумметр; 5 — нажимные стержни; 9 — смотровые окна; 10 — блок гидроцилиндра для создания давления; 11 — вакуумная сварочная камера; 12 —- индукторы; 13 — панельные часы; 14 — манометр.

- Войдите или зарегистрируйтесь, чтобы получить возможность отправлять комментарии